Purlins are horizontal structures that are used to support the load from the roof deck or the sheathing. The plane surface of this purling on one side has made it a preferred material for cladding due to its easy installation on concrete structures or steel. Our range purlins are light in weight and perfect for simple span construction Purlins manufacturers in Vadodara.We are a leading Manufacturer of galvanized iron c purlin, mild steel c purlin, mild steel z purlin, construction c purlin, stainless steel z purlin and stainless steel c purlin from Vadodara, India.
Types Of Purlins
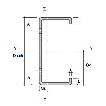
C Section
